CHARVÁT HYKOM s.r.o.

Mini agregáty

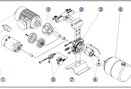
Mini agregáty
  • Určeny především pro zdvihací plošiny, obráběcí stroje, manipulační zařízení, vodní a parní elektrárny, malé lisy apod.
  • Agregáty s centrální tlakovou přírubou o rozměrech 100x100mm a 130x140mm.
  • Vybaveny zpětným a tlakovým ventilem, dle požadavku zákazníka možno dovybavit ventily pro řízení průtoku i tlaku, včetně proporcionálně řízených.
  • Součástí je i zubový hydrogenerátor se zaručenými hlukovými parametry a geometrickým objemem v rozmezí 0,16 až 9,8 cm3/ot.
  • Provozní tlaky se pohybují v rozmezí 0,5 až 35 MPa, příkony elektromotorů v rozmezí 0,18 až 4kW.
  • Pohon možno realizovat v provedení stejnosměrných, jednofázových i třífázových elektromotorů.
  • Toto široké pole základních parametrů doplňuje celá řada velikostí nárží z plechu o objemech od 1 do 60 dm3 pro různé polohy instalace (nádrž nad agregátem, z boku, s víkem..) a dále nádrže z plastu o objemech 1 až 12 dm3.
  • Součástí některých provedení jsou i tlakové nebo odpadní filtry, standardně jsou používány filtry sací.

Dokumenty ke stažení

  • Formát PDF

Fotogalerie

Máte dotaz?

CHARVÁT HYKOM s. r. o.
Plzeňská 2726
269 01 Rakovník

IČO: 62956256
DIČ: CZ62956256

Telefon: +420 313 515 923
E-mail: hykom@charvat-hykom.cz

Mapa

Kontakty

CHARVÁT HYKOM s. r. o.
Plzeňská 2726
269 01 Rakovník
Czech Republic

Nastavení cookies

Facebook